南中珠城际,进一步消息传来!
刚刚,广东地铁官网发布了《南沙至珠海(中山)城际香山至拱北段环境影响评价第二次信息公示》。


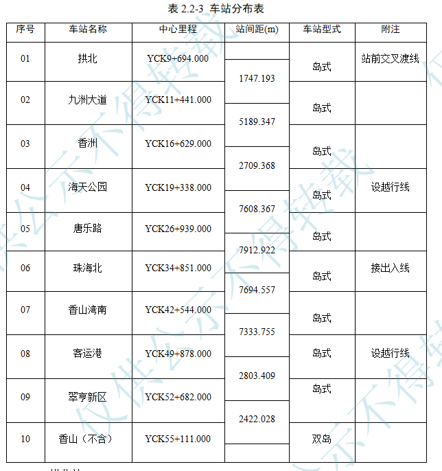
设站10座,其中地下站9座
南沙至珠海(中山)城际香山至拱北段线路全长约45.4km,其中地上段约13.1km;
共设站10座(含在建香山站),其中高架站1座,地下站9座。
其中新建车站9座,分别为拱北站、九洲大道站、香洲站、海天公园站、唐乐路站、珠海北站、香山湾南站、客运港站、翠亨新区站。

新建停车场一座,为珠海北停车场,新建主变电所2座,为珠海北主变、柠溪主变。

本工程线路等级为城际铁路,双线,电力牵引,市域(郊)动车组,速度目标值
160km/h。
工程建设总工期60个月,工程总投资约255.48亿元。


珠海段共6个站点
具体到南中珠城际珠海段,站点共有6个:拱北站、九洲大道站、香洲站、海天公园站、唐乐路、珠海北站。

拱北站:
位于拱北口岸联检大楼北侧,沿迎宾南路南北向敷设,与广珠城际、珠机城际换乘,与拱北口岸、青茂口岸接驳。
本站为地下二层岛式站台车站。车站站位位于迎宾南路和侨光路交叉口,沿迎宾南路南北向敷设,有效站台长度 202m,设折返线,总建筑面积为27759㎡。

九洲大道站:
本站北接香洲,南接拱北站,位于迎宾南路与九洲大道交叉口南侧,沿迎宾南路南北向敷设。
本站为地下二层岛式车站。有效站台长度 202m,总建筑面积为 19078㎡。车站负一层为站厅、负二层为站台层。

香洲站:
本站北接海天公园站,南接九洲大道,位于银桦路与沿河西路交叉口,沿沿河西路南北向敷设。
本站为地下二层岛式车站,站厅层局部设设备夹层。有效站台长度202m,总建筑面积为 18526.62㎡。车站负一层为站厅层、负层为站台层。

海天公园站:
本站北接唐乐路站,南接香洲站,位于珠海市香洲区海天公园,南北向设。本站为地下二层岛式车站。有效站台长度 202m,设越行线及单渡线,总建筑面积为 31637.07㎡。
车站负一层为站厅、负二层为站台层。

唐乐路站:
本站北接珠海北站,南接海天公园站,位于珠海市香洲区唐乐路与港湾大道交叉口,大致沿港湾大道敷设。
本站为地下二层岛式车站。有效站台长度 202m,总建筑面积为 15966.55㎡,车站负一层为站厅、负二层为站台层。

珠海北站:
本站位于兴南路与金峰北路交口的东北侧,车站小里程端头横跨兴南路。车站与既有珠海北站(广珠城际)平行,沿南北向敷设。
本站为地面二层岛式高架车站。车站有效站台长 202m,设越行线,北侧接出入场线。总建筑面积为14269㎡。车站地面一层为站厅、二层为站台层。

停车场选址
该选址邻近珠海北站布置,该选址东邻金琴快线,北邻兴北路,西邻广珠城际,出入线由停车场南侧接至珠海北站。该地块地势较为平坦,场地标高3.0m-5.0m之间,综合出入线爬坡能力、场地土石方填挖平衡、周边道路标高、综合设防水位标高情况,
停车场场坪标高暂定为6.89m,为地面路基方案。选址接轨珠海北站(高架站),出入场线下穿正线、上跨金业北路和兴中路后进入停车场。

同时,未来通车后,南中珠城际将全天运营18小时。

一般环评工程需要进行2次后,才可动工。
而如今南中珠城际已经通过2次环评,可以预见,动工之日不远了!
具体工程消息,凤凰君将持续跟进!
#南中珠城际 #珠海地铁 #珠海交通